汽油發電機組及“飛車”故障分析
上篇文章我們講了關于汽油發電機組及“飛車”故障原因,今天,我們分析下為什么會有此類故障發生。
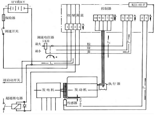
1、電子調速系統作用
電子調速系統主要由調速控制器、執行器、轉速傳感器和調速電位器等組成。系統組成如圖1所示。

2、調速控制器
調速控制器是調速系統的核心。在鋁制外殼內封裝著控制電路,通過插座分別連接調速電位器、轉速傳感器、執行器和12V電源,如圖2所示。調速控制器除了調節控制發動機轉速外,還可實現超速警報,即發動機轉速超過設定值時,切斷點火低壓電路,使發電機停機。
3、調速電位器
安裝在電站控制板上,調整角度為10圈、阻值5000Ω,增大電阻可控制發動機轉速升高。

圖2、調速系統控制框圖
4、轉速傳感器
轉速傳感器為電磁式傳感器,傳感器內部安裝一個永久磁鐵和感應線圈。當轉子上齒形不斷經過傳感器時,引起其內部磁場變化,并在線圈中產生感應電壓。
5、執行器
執行器主要由多極永久磁鐵、電樞、輸出軸及反饋部件將執行器的工作狀態傳回控制器以形成閉環控制系統,如圖2所示。執行器安裝在靠近化油器的支架上,通過搖臂和連桿與節氣門拉桿相連接,以控制發電機轉速。
6、系統控制過程
調速系統工作過程為:調速電位器設定發電機轉速值,轉速傳感器將發電機飛輪轉速轉化為脈沖電信號,經頻壓轉換器轉化為電壓信號,與轉速設定值進行比較,輸出電壓差,該差值又經PID放大后,輸入功率放大電路,驅動執行電機。轉速低于設定值時,執行器開大化油器節氣門,反之,則關小化油器節氣門,如圖3。

圖3、調速系統控制過程示意圖
7、故障定位分析
由控制過程可得出故障分析樹狀圖如圖4所示。
圖4 調速系統故障分析圖
由故障分析樹狀圖可知能造成飛車故障的部位有:
a、調速控制器
調速器控制器故障,會錯誤判斷發電機狀態,驅動執行器開大化油器節氣門導致“飛車”。
b、執行器故障
執行器故障可導致油門卡死在最大位置,導致發動機啟動后出現“飛車”。
c、轉速傳感器故障
轉速傳感器故障可導致控制器不能得到正確的發電機轉速信號,錯誤地加大節氣門開度導致“飛車”。
d、調速電位器
調速電位器阻值越大,轉速設定值越高,調速電位器失效會導致轉速設定在最大轉速,發電機啟動后會立刻提高轉速至最大值。
相關資訊
- 不能包管一切
- 柴油發電機與您眾志成城抗天災
- 在寒冷的冬季我們更要學會如何安全使用柴油發電機
- 3KW汽油發電機的幾大用途
- 氬弧電焊一體機的操作容不得半點的失誤
- 伊藤汽油發電機——員工毛冰培訓總結
- 柴油發電機噪音太大?解決竅門都在這了
- 伊藤汽油發電機——技術人員培訓匯報
- 便攜式柴油發電機的一些常識是否重要?
- “高素質,嚴要求”下的便攜式汽油發電機
最新產品
同類文章排行
- 汽油發電機優勢出現高溫報警的原因
- 如何選購發電機蘊含大大的能量
- 柴油水泵常見故障為何排氣管有時滴油
- 汽油和柴油發電機組區別日常啟動步驟
- 汽油發電機用途“心臟”如何保養
- 汽油發電機是否省油如何接線安全
- 汽油發電機優勢磨合期如何安全度過
- 小型汽油發電機優點柴油發電機特點
- 汽油發電機選購起動前準備檢查
- 汽油發電機“燙護秘方”冷卻液溫度偏高解決
最新資訊文章
您的瀏覽歷史




